電源防雷器 M1L385-40II(1P+N)
電源防雷模塊 (II類-8/20μs)
電源防雷模塊 (II類-8/20μs)
一、產品描述
本浪涌保護器主要應用于低壓供配電系統與用電設備的雷電或其它瞬時過電壓的電涌保護。
二、產品特點
1、泄放能力強
2、內置多路過流斷路保護
3、一體化設計
4、失效指示
5、泄流更均勻
6、抗環境能力強
7、內置多路過熱斷路保護
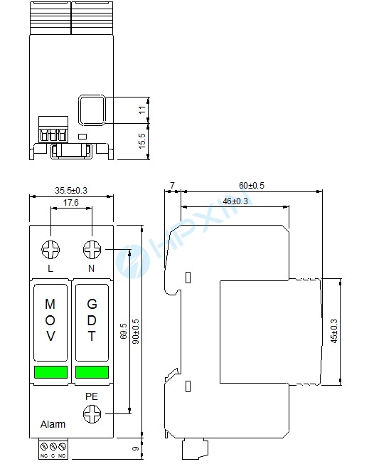
三、結構尺寸

技術參數:
項目 | 技術參數 |
產品型號 | M1L385-40Ⅱ(1P+N) |
額定電壓Un | 230VAC |
最大持續運行電壓Uc | L-N:385VAC,N-PE:255VAC |
標稱放電電流In | 20kA (8/20μs) |
最大放電電流Imax | 40kA (8/20μs) |
電壓保護水平Up(In) | L-N:≤1.8kV,N-PE:≤1.0kV |
限制電壓Up | L-N:≤1.3kV,N-PE:≤0.8kV (5kA,8/20μs ) |
暫態過電壓特性UTOV | L-N:400V/5sec,N-PE:1200V/200ms |
前置熔斷器 | 125AgL |
耐受短路電流 | 25kArms |
端子接線范圍 | 1.5 ~25mm2(柔性)/35mm2(剛性) |
告警端口最大允許工作電流 | 250V/0.5A(AC)0.1A(DC) 125V/1A(AC)0.5A(DC) |
外殼阻燃等級 | UL94 V-0 |
外殼防護等級 | IP20 |
